Преобразователь частоты CW100 750Вт
вход: 1 фаза, 220В 50/60 Гц, до 8.2А; выход: 3 фазы, 220В 0-600 Гц, до 4А
Описание
Частотный преобразователь CW100 мощностью 750Вт предназначен для управления трехфазными электродвигателями. Устройство работает от однофазной сети 220 В, преобразуя её в трехфазный выход с частотой до 600 Гц. Обеспечивает эффективное регулирование скорости двигателя, имеет широкий набор управляющих входов и выходов, а также поддержку MODBUS-RTU для дистанционного управления.
Технические характеристики
- Входное напряжение: 220 В, 1 фаза, 50/60 Гц
- Входной ток: до 8,2 А
- Выходное напряжение: 3 фазы, 220 В
- Выходная частота: 0-600 Гц
- Выходной ток: до 4 А
- Мощность: 750 Вт
- Степень защиты: IP20
- Рабочая температура: 0…+40°C
- Температура хранения: -20…+55°C
- Влажность воздуха при работе: 5%-85% без конденсации
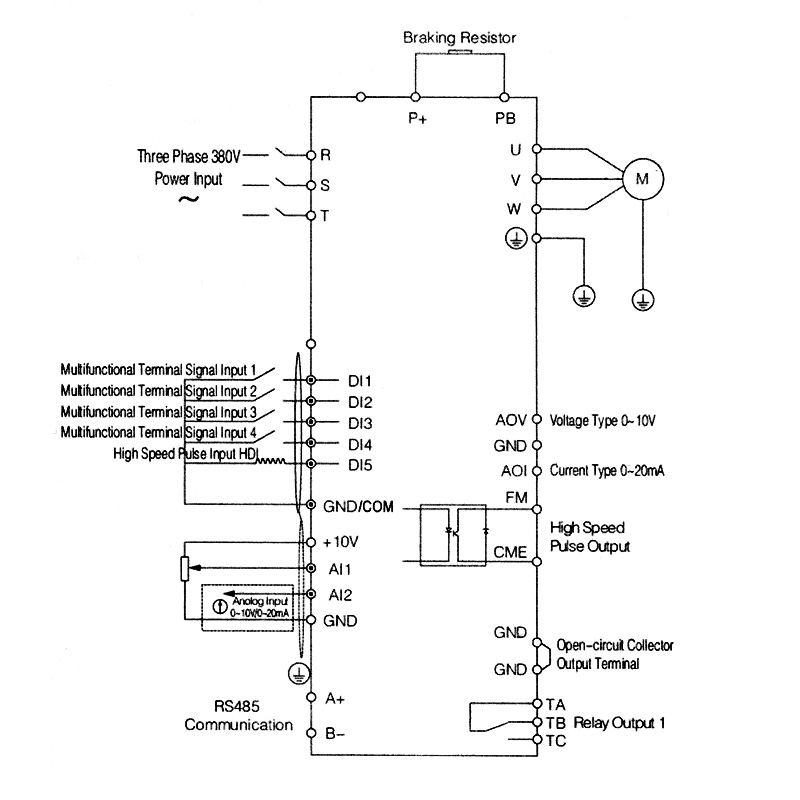
Подключение
- Основные клеммы:
- R, S, T – вход питания 220 В (однофазная сеть к клеммам R и T)
- P+, PB – тормозной резистор
- U, V, W – выходные клеммы для подключения трехфазного электродвигателя
- Заземление – клемма для подключения заземления
- Управляющие клеммы:
- 10V-GND – выход 10 В для внешнего питания (10 мА)
- 24V-GND – выход 24 В для питания сенсоров (200 мА)
- AI1-GND – аналоговый вход 1 (0-10 В или 4-20 мА)
- AOV-GND, AOI-GND – аналоговые выходы (0-10 В, 0-20 мА)
- DI1-GND, DI2-GND, DI3-GND, DI4-GND – цифровые входы (5-30 В)
- DI5-GND – импульсный вход (до 20 кГц)
- FM-GND – импульсный выход (до 20 кГц)
- TA-TB, TA-TC – релейные выходы (250 В AC, 3 А)
- A+ B- – MODBUS-RTU (RS-485)
Управление
- RUN – индикатор работы
- LOC – режим управления
- F/R – реверс вращения
- Hz, A, V – отображение частоты, тока, напряжения
- PROG – меню программирования
- M-FUN – выбор функций
- ▲/▼ – увеличение/уменьшение значений
- SHIFT – изменение параметров
- ENTER – подтверждение настроек
- RUN – запуск двигателя
- STOP – остановка или сброс ошибки
Функционал
- Управление скоростью вращения трехфазного двигателя
- Поддержка внешнего управления через аналоговые и цифровые входы
- Индикация состояния работы, частоты, тока и напряжения
- Встроенные функции защиты от перегрузки и перегрева
- Возможность подключения через MODBUS-RTU для дистанционного управления
