уровень срабатывания оповещения подстраивается; громкость 85дБ; 57х24х13мм
уровень срабатывания оповещения подстраивается; громкость 85дБ; 57х24х13мм
| Параметр | Значение |
|---|---|
| Тип живлення | DC |
| Тип пристрою | сигналізатор розряду |
| Робоча напруга, В | 6 |
| Споживання струму, мА | 0.1–40 |
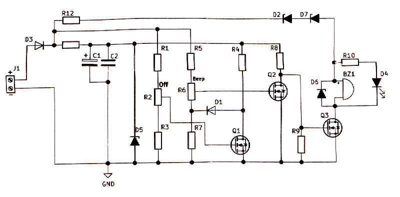
Описание
В отличие от современных литий-ионных и других типов аккумуляторов, снабжаемых встроенной платой контроля ограничения разряда, большинство кислотных или гелевых аккумуляторов неимеют такой защиты.
Данное устройство предназначено для предупреждения разряда кислотного или гелевого акумулятора (или наборов однотипных аккумуляторов, с напряжением, не больше 48 Вольт), сигнализируя посредством звука и свечения светодиода красного цвета, о необходимости подзарядитьакумулятор. Порог включения сигнализации выбран равным 10% остаточной емкости для аккумулятора соответствующего напряжения 6, 12, 24 или 48 вольт. При необходимости его можно изменить.
Технические характеристики

ВАЖНО: Схема не универсальна для всех аккумуляторов, а рассчитана отдельно изготовителем под каждый тип аккумулятора. Даный модуль подходит только для аккумуляторов с напряжением 6 Вольт. За все изменения в схему и их последствия производитель ответственности не несет!